导读:本文将就IM21-14-CDTRi 图尔克转速监控器接线示意图及调试参数说明 进行详细介绍。
产品型号:
IM21-14-CDTRi
产品接线示意图:

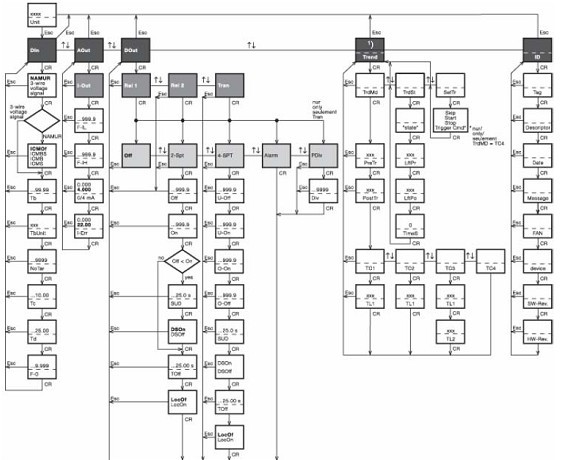
调试菜单结构图:

接线端子定义:
19,20 连接供电电压
1,2 连接两线 NAMUR传感器
3,4,5 连接三线 PNP传感器
4,5 连接 5…30VDC 的外部信号源
6,7 将 NAMUR信号转换成相对应的脉冲信号输出
9,10 激活启动延时功能
12,13 继电器触点输出 R1
14,15 继电器触点输出 R2
17,18 晶体管输出
11,16 电流输出 0/4…20mA 或 20...4/0mA
LED指示灯状态说明:
Pwr 电源指示灯
绿色 供电正常
绿色闪烁 强制输出模式
红色 设备故障
R1 继电器 1 开关状态指示灯
黄色 继电器励磁,触点吸合
R2 继电器 2 开关状态指示灯
黄色 继电器励磁,触点吸合
T 晶体管开关状态指示灯
黄色 晶体管导通
参数含义及设定方法:
使用产品前面板上的四个按钮“ESC”、“CR”、 “↑”及“↓”可以对所有参数进行设定。
按下“ESC”按钮,设备从正常工作状态切换到参数设定状态,显示屏显示主菜单。使用“↑”
和“↓”按钮可以在主菜单间切换。当切换到需设定参数的主菜单时,按下“CR”按钮可
进入相应的子菜单。在子菜单中使用“↑”和“↓”按钮修改参数,当参数修改后,按下“CR”
钮保存。当参数被修改时,屏幕显示会闪烁,直到参数保存完毕。在参数修改过程中按下
“ESC”钮,未保存的参数不作变动,系统跳转到前一菜单。要退出参数设定模式,需按下
“ESC”按钮。当设定参数时,当前参数的缩写显示在屏幕下方,正在修改的参数显示在屏
幕的上方。断电后,已保存的参数不会丢失。
更多参数含义,请咨询




